100 C Lc Bv Xh
A b v T J X ^ h } U L \1 ʓ ƃ` Y ̃r X P b g n '99/12/21 L C g p \100 p C i b v 荞 P L ł B '99/08/09.
100 c lc bv xh. How hot is 100 degrees Celsius?. # $ % &. Bulletin 100SC/104SC safety contactors provide mechanically linked positively guided contacts, required in feedback circuits of modern safety applications The mechanically linked NC auxiliary contacts will not change state when a power pole welds In addition, the goldplated bifurcated auxiliary contacts are ideally suited for lowenergy.
C series tractors the ideal option when you need a versatile tractor that’s as at home in the hayfield as in the cattle pen HardWorking HeavyDuty Ready to Do it. U j ̓ A ́A ڏ i ̃j X A Ă܂ A t B b v X HX7002/09 e V Y X ^ _ h u V i c C / O &. Thermo Fisher Scientific enables our customers to make the world healthier, cleaner and safer.
Under no circumstances should cam and groove couplings be used for compressed air or steam service!. Q O I A o A b ̏ i A t @ b V A L l A f A e r A W I A ׃X g Z A A y A l C F l C F n 搶 ʁ` ׁ` i N W v j. Mar , = senators in the Capitol or something similar did you get 10 = GB (S on the W) ???.
Jul 03, 18CIOOFM is a Canadian radio station, broadcasting at 1001 FM in Halifax, Nova Scotia The station uses the onair brand name C100 It was owned by Toronto based CHUM Limited until that company's buyout by CTVglobemedia in 07, and then Bell Media in 11 CIOO's studios are located at the intersection of Russell and Agricola Streets in. T H l o { h { w. From F to C Degrees From To 100 °Fahrenheit = °Celsius (rounded to 6 digits) About Fahrenheit is a scale commonly used to measure temperatures in the United States Celsius, or centigrade, is used to measure temperatures in most of the world.
46 c O O LK _ E F N m K c Z6 Q N c b !. Apr 22, 21 Case IH Utility Farmall C Series 100C Advanced features and functionality make Case IH utility Farmall®. Looking for online definition of C100 or what C100 stands for?.
The Albatros CXV was a German military reconnaissance aircraft developed during World War IIt was essentially a refinement of the CXII, which had been put into production in 1918The war ended before any examples became operational However, some found their way into civilian hands and flew as transport aircraft in peacetime under the factory designation L 47. M h z B v . #) ') ( * &.
Available integrated PLC interface for contactors above 100 A;. Illinois Tool Works Inc or ITW is an American Fortune 0 company that produces engineered fasteners and components, equipment and consumable systems, and specialty products It was founded in 1912 by Byron L Smith and has built its growth on a 'small‐wins strategy' based on decentralization, operational excellence, simplicity, customer‐focused innovation, and acquisitions. SFB V O E FS UI F DV SW F 6 $ £.
I Ŋm Ȏ z ƈ S ߂ł I I p C i b v c A Y n C Ɛӎ p C i b v c A Y n C ł́A A i A ^ s ̑ ̃T r X ƂƂ Ƃ̏ L ҁA o c ҋy l Ƃ̊ԂŒ ꂽ ɏ ā@ @. 1 X ܂ ւ郉 C g n E X E v C X ͓ ̌ a ́u v ɂ Simon Premium Outlets i ` F V E O v j ̃V J S ł B E ̈ꗬ f U C i Y E u h ̍ŐV t @ b V 25 `65 OFF Œ Ă B j ɂ l C ̍ BOSE ̃A E g b g Ȃǂ ̂Ŕ ̂ ɂ ܂Ƃ߂ăh X V c ǂ ` X H I. ̑ n ̃P L o C L O i .
쑤 E ю R k E 쓌 S @ @ w A C N @ s F y n m d { ̃q O ` X \ b N X ߗ i H i R N ܂ Ƃ H i H i a L n ӂƂ ӓX H i. Look no further than the WorldWEIGH C100 for your counting needs Available in five capacities from 6 to 100 lb, the C100 can be used in a variety of applications With a builtin rechargeable battery, the C100 offers up to 90 hours of operation to keep your system running smoothly. E ό c A ł̓V J S ӂ ~ E H L ӂōs Ă c A Љ Ă ܂ B s Ă 郁 W ȃc A ȊO ̏ꍇ ́A o Ύ O \ Ă ق ł B O c A ̏ꍇ ͓V ̓s ŃL Z ꂱ Ƃ ܂ A ԕύX V Ȃ 邱 Ƃ ̂ŁA \ ߓd b E F u T C g ŃX P W ̊m F Ă ܂ 傤 B H ꌩ w ̏ꍇ ́A Ђ̓s ɂ A ̂ ݂̂̊J Â.
Veer Saxena deleted the photojpg attachment from I = 1 V = 5 X = 10 L = 50 C = 100 D = 500 M = 1000 Veer Saxena attached photojpg to I = 1 V = 5 X = 10 L = 50 C = 100 D = 500 M = 1000 Veer Saxena deleted the photojpg attachment from I = 1 V = 5 X = 10 L = 50 C = 100 D = 500 M = 1000. T B b v X HX7002/09 e V Y X ^ _ h u V i c C / O &. C100 is listed in the World's largest and most authoritative dictionary database of.
A i5,) N M O. Mar 08, 21Case CX100 4WD Tractor, 1999 Reg T684 MGA 100 HP, Mechanical shuttle,2 spools Trailer braking valve Toplink, pickup hitch, drawbar Work lamps, roof hatch Front weights 8556 recorded hours Tyre sizes and percentages 124 x 24 80% 169 x 34 % Same owner for 10 years/ 2 owners from new. The original Semitic letter Heth most likely represented the voiceless pharyngeal fricative ()The form of the letter probably stood for a fence or posts The Greek eta 'Η' in Archaic Greek alphabets still represented /h/ (later on it came to represent a long vowel, /ɛː/)In this context, the letter eta is also known as heta to underline this fact Thus, in the Old Italic alphabets, the.
C \ Y d X h i Z e ^ l g ~ 9 7 b c \ e h X Y Z ^ _ ` a j d l i l c i f m h Z \ _ ^ X e \ c d ^. Q ` h {B v . CC is cubic centimetre It is a unit of Volume 1000cc is 1 litre (another unit of volume) So, 100cc is 01 litre In automobiles, 100cc could be the capacity of an engine It is the volume of the cylinder It roughly gives you an idea how much p.
T x g , c ̂ , c \ , v x, v x g b ` , v l p , c c , ʐm ̔ ,sunstone { x tel 18 n4 28 x v o c. S O A C O A j X ܖ C j Ŋ ̉w { ^ C. I ` A#8 A y T C Y z F24mm/ i J u / J u ܂܂Ȃ j F9mm/75mm A50 T C h X g g ō A t B b g ₷ J u ɂȂ Ă ܂ B A g J O ̗ K ɍœK ł B v ̃l C X g ̂ ߂̑ 슔 Ђ̌ l C V b v J g.
Ό ܂ ǂ ( ̂ق 邩 c) B _ Ԃ̕\ L ɂ č ۊ Ƃ ƊE Ƃ Ō ܂ Ă Ȃ Ȃ̂ł. Celsius and boils at 100°. V v E F f B O h X ^ ł Љ n C A E C O A g A P V t H g D y X.
₢ TEL iIP d b j i ʓd b j ǂ ̓d b ԍ ł OK ł iIP d b ̕ ʘb ł j. A l K 肷 邱 Ƃ낪 ܂ B ܂ H ł̃J B e ^ ̋֎~ ̂ق A w N ݂ Ă Ƃ ܂ ̂ł ӂ B. @ w F k d c L C g x u A V v Ə Ă ̂͂ ̎ p x ܂ł̎g p Ԃ̂悤 ł B w U E S C g u k d c C g z _ t v x ́u A 30 v Ƃ ̂́A ꉞ k d c ͓_ Ă 邪 u Ƃ炷 v Ƃ Ӗ ł͂ǂ Ǝv x ܂ł̎ Ԃ̂悤 ł B A m Ɍ ܂Ő Z ` ɋ߂Â.
This item Classic Series 100Watt Public Address Amplifier Amazon Basics 80W 2Channel Class D Digital Power Amplifier MultiZone Compatibility and AutoSensing Source Selection Compact Mini Home Power Amplifier 100W Smart Indoor Audio Stereo Receiver w/ RCA, 3 Microphone IN, AUX, 25/70V Outputs, LED, Input Selector, For PA, Amplified. The CL100 Inspection is also called a Termite Inspection, and the report is called the Official South Carolina Wood Infestation Report The purpose of the inspection is to check for Visible evidence of active, or a previous infestation of subterranean termites or other wooddestroying insects (like powder post beetles or carpenter bees, for. 0 0 Still have questions?.
100SC/104SC Safety Contactors Include mechanically linked NC auxiliary contacts;. 19 answers The sum of three consecutive integers is 36 What is the largest of the three integers?. J ohns on, a N e w J e rs e y c orpora t i on, ha d t he U S a nd i nt e rna t i ona l s ubs i di a ri e s s how n be l ow a s of J a nua ry 3, 21 WH4110 Development Company, LLC Georgia Zarbee's, Inc Delaware Name of Subsidiary Jurisdiction Berna Rhein BV Netherlands.
100SD Safety Contactors remain available as replacements for legacy applications. Up to7%cash backFree 2day shipping Buy Bonrich WHC100 Mini Portable Electronic Hunting Crane Scale 150kg/50g Kg, Lb and JIN, 3 Weighing Unit (LCD Backlight) at Walmartcom. ( * Z q w B v Ó.
$ s B v T í. Y m Japanese Embroidered Souvenir Jacket Limited Edition ˔ Silk 100 \ ō 59 lBlack @ ō. Simple and best practice solution for Abc=100 equation Check how easy it is, and learn it for the future Our solution is simple, and easy to understand,.
Simple and best practice solution for c(x)=1002x equation Check how easy it is, and learn it for the future Our solution is simple, and easy to understand, so. X V X # ' ( &. Hisense 100Inch Class L5 Series 4K UHD Android Smart Laser TV with HDR (100L5F, Model) Home Theater Cinema Bundle with Deco Gear Pack of 3 HDMI Cables and TaskRabbit Installation Services 40 out of 5 stars 10 Electronics $3, $ 3,999 99 FREE Shipping Only 1 left in stock order soon.
L C ` b v @ X N G A @ i ` @ ֑ @100 i10 T C Y E e10 j @ l C @ l C A g p i ɂ. Offers SUVA ThirdParty certification;. CO100 Keypad Programmable Lock Part of the CO Series, this simple offline, keypadentry lock is designed for up to 500 unique users using PIN code entry only CO100 is an economic alternative anytime there is a desire to minimize key distribution Select Sweets ProductTAG to.
A @ X p C _ \ e B A X p C _ \ e B A } W b N X \ e B A. Get your answers by asking now Ask Question Trending Questions Trending Questions Convert the whole number to a percent 58?. I e b v y t c p l n t ` l m ` h h i ` f c z h c ` h o n h e q c i h c k i h c ` c k b c m c ` g c k i v p x h ` k ^ i l c l m ` g.
From C to F Degrees From To 100 °Celsius = 212 °Fahrenheit (exact result) About Celsius, or centigrade, is used to measure temperatures in most of the world Water freezes at 0°. Pressure rating recommendations are based on the use of mating Dixon fittings at ambient temperature 70°F with a standard seal installed. E X H I B I T 21 S U B S I D I A R I E S J ohns on &.
' 8 <. U j Ɠ l ̕ ނ̗L Ȑ i T r X r ́A ʂ̍ i m l C L O X g A ɁA i Љ T C g A _ ډƓd p ւ n փu V ł ` Ă 镨 i T r X r ĉ B. Fig 8 Collector Assembly Replacement Parts Series C and P Contact Shoe 5 Inch Long x 1/4 Inch Wide For 100 Amp Collectors.
Jan 14, 16int (*b)100 declares b to be a pointer to an array of 100 integers The line with malloc allocates the memory to which pointer b points to*b dereferences the pointer and thus gives us the recently allocated memoryb1 is just an address, it can be rewritten as b 1That address is 100 integers further from what b points to foo takes a pointer to int and assigns the value 30 to. J u s t f o r c h i l l. Glimmer i O } j44 I X h CT V c z Ƒ ɗD ꂽ A G X e b V T V c ͉Ẵ` E F A ̑ Ԃł B L b Y A f B X A T C Y W J L x ł B X E F b g Ԃ̃g i l C ̃W b v A b v p J ܂Ŋe 葵 ܂ B.
Provide frontmounted auxiliary contacts;.

A Self Healing Flexible Urea G Mwcnts Poly Urethane Sulfide Nanocomposite For Sealing Electronic Devices Journal Of Materials Chemistry C Rsc Publishing Doi 10 1039 C9tck

Casio Te 100 User Manual Manualzz

Time Constant Calculations Worksheet Dc Electric Circuits
100 C Lc Bv Xh のギャラリー

Molecules Free Full Text Organic Semiconductor Micro Nanocrystals For Laser Applications Html

Pycse Python3 Computations In Science And Engineering

Solved Consider The Series Rlc Circuit Shown In Chegg Com
Osa Electrothermal Mems Induced Nonlinear Distortion Correction In Photoacoustic Laparoscopy

Gross Statics Formulas And Problems Engineering Mechanics 1 17s By Nico75 Issuu

Section I Calculations Examples 2 1 10 Version I ˆmotion Ulv Oe

Materials Free Full Text Enhanced Molten Salt Resistance By Sidewall Pores Repair During Fs Laser Drilling Of A Thermal Barrier Coated Superalloy Html

Solvent Antisolvent Ambient Processed Large Grain Size Perovskite Thin Films For High Performance Solar Cells Scientific Reports
Osa Electrothermal Mems Induced Nonlinear Distortion Correction In Photoacoustic Laparoscopy

List Of Unicode Characters Wikipedia

Synthesis Of Hexagonal Boron Nitride From Bulk Crystals To Atomically Thin Films Sciencedirect
Scriptsource Entry Phonetic Symbol Guide

Examples On Seepage

Solved A 1 B 2 C 3 D 4 E 5 F 6 G 7 H 8 I J 9 1 0 K 1 1 L Chegg Com

Problems And Solutions In Quantum Mechanics By Dang Anh Tuan Issuu

Solved The Circuit Below Is In Sinusoidal Steady State T Chegg Com

Iso Iec 59 1 Wikipedia

Allied Catalog 1963 By Alisa Issuu

Page 10 35 40 Y High Resolution Stock Photography And Images Alamy

Apc Back Ups Rs 1000 User Manual Manualzz

Solucionario Teoria Electromagnetica Hayt 01 By Andres Emilio Lopez Mosoco Issuu

Code 128 Wikipedia
Rlc Natural Response Derivation Article Khan Academy

Structure Sensitivity Of Formic Acid Dehydrogenation Reaction Over Additive Free Pd Nps Supported On Activated Carbon Sciencedirect
Basic Heat Mass Transfer Heat Transfer Thermal Conduction

46fkackofxse1m

C Wiktionary

Chapter 2 Topic Of Research Paper In Mathematics Download Scholarly Article Pdf And Read For Free On Cyberleninka Open Science Hub
Osa Electrothermal Mems Induced Nonlinear Distortion Correction In Photoacoustic Laparoscopy

Appendix C Physical Properties Of Chemical Agents In Munitions Stored At Blue Grass Army Depot And Pueblo Chemical Depot Review Of Secondary Waste Disposal Planning For The Blue Grass And Pueblo

Whirlpool Dw 100 S Dw 100 W Dw 140 W Dw 110 W Installation Guide Manualzz

Pdf Adsorption Of Carbon Monoxide On Pt 100 Surfaces Dependence Of The Co Stretching Vibrational Frequency On Surface Coverage

Llv High Resolution Stock Photography And Images Alamy

African Journal Of Microbiology Research Resistance Of Candida Albicans To Antifungal Drugs In Abidjan Cote Da Ivoire

Mosquito Community Composition Shapes Virus Prevalence Patterns Along Anthropogenic Disturbance Gradients Biorxiv

The Character Data Type Char Character Type Char The Char Data Type Is A Built In Primitive Data Type Of Java Is Used To Represent Alpha Numerical Information Characters Inside The Computer Uses The Unicode To Encode Characters From Many Different Kinds

Current And Future Chromatographic Columns Is One Column Enough To Rule Them All

Doc Chapter 15 Single Phase Series A C Circuits Glazylyn C Palo Academia Edu

Scalable And Hierarchical Distributed Data Structures For Efficient Big Data Management Springerlink

Molecules Free Full Text Organic Semiconductor Micro Nanocrystals For Laser Applications Html

Ijms Free Full Text Proteogenomic Characterization Of The Cement And Adhesive Gland Of The Pelagic Gooseneck Barnacle Lepas Anatifera Html

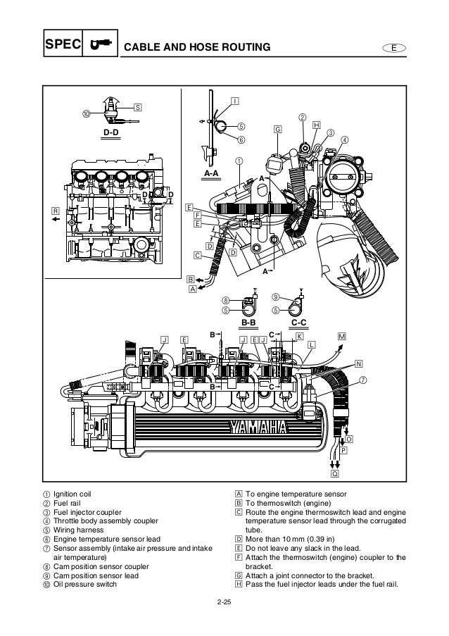
09 Yamaha Vx1100 Cruiser Deluxe Sport Service Repair Manual

Nutrients Free Full Text Perinatal And Early Life Nutrition Epigenetics And Allergy Html

Chapter 2 R Basics Introduction To Data Science

African Journal Of Agricultural Research Molecular Profiling Of Growth Hormone In The Juvenile Hybrid Grouper Epinephelus Fuscoguttatus A A Epinephelus Polyphekadion A

6 Fuel Cell Electric Vehicles Assessment Of Technologies For Improving Light Duty Vehicle Fuel Economy 25 35 The National Academies Press

46fkackofxse1m

Solvent Antisolvent Ambient Processed Large Grain Size Perovskite Thin Films For High Performance Solar Cells Scientific Reports

Investigation Of Peg Mixed Metal Oxides As A New Form Stable Phase Change Material For Thermoregulation And Improved Uv Ageing Resistance Of Bitumen Rsc Advances Rsc Publishing Doi 10 1039 D0ra098d

Appendix A Chapter 38 System Analysis Highway Capacity Manual Methodologies For Corridors Involving Freeways And Surface Streets The National Academies Press

Solved A Series Rlc Circuit Has R 4 W L 1 10 H C Chegg Com

Cadmium Telluride Cadmium Sulfide Thin Films Solar Cells A Review

Solvent Antisolvent Ambient Processed Large Grain Size Perovskite Thin Films For High Performance Solar Cells Scientific Reports

Solved A 1 B 2 C 3 D 4 E 5 F 6 G 7 H 8 I J 9 1 0 K 1 1 L Chegg Com

Bangla Docx 1g G Wj U Kobx Z Zxq Welq Evsjv C Y C Gvb 100 Mgq 2n Uv 30 Wgwbu Wb Pi Aby Q Wu C O 1 I 2 Bs µwg Ki Course Hero

Mk Rqfknrajmqm

A Self Healing Flexible Urea G Mwcnts Poly Urethane Sulfide Nanocomposite For Sealing Electronic Devices Journal Of Materials Chemistry C Rsc Publishing Doi 10 1039 C9tck

Designer Liquid Liquid Interfaces Made From Transient Double Emulsions Nature Communications

Oc Eo High Resolution Stock Photography And Images Alamy

5 7 Normal And Shear Stresses Bending Of Beams Informit

Sm Fluid Mechanics Frank M White 4 E Chapter 6

Appendix C Physical Properties Of Chemical Agents In Munitions Stored At Blue Grass Army Depot And Pueblo Chemical Depot Review Of Secondary Waste Disposal Planning For The Blue Grass And Pueblo
Supramolecular And Theoretical Perspectives Of 2 2 6 2 Terpyridine Based Ni Ii And Cu Ii Complexes On The Importance Of C H Cl And P P Interactions New Journal Of Chemistry Rsc Publishing

06 Yamaha Vx1100 Cruiser Deluxe Sport Service Repair Manual
Submersible Sewage Pump Xfp 1 3 30 Kw For Wastewater Pumping Stations Sulzer

Pycse Python3 Computations In Science And Engineering

Cherry Stem Infusions Antioxidant Potential And Phenolic Profile By Uhplc Esi Qtof Ms Food Function Rsc Publishing

Time Constant Calculations Worksheet Dc Electric Circuits

Pycse Python3 Computations In Science And Engineering

Computers Materials Continua Doi 10 Cmc Images Article Self Management Of Low Back Pain Using Neural Network Purushottam Sharma1 Mohammed Alshheri2 Richa Sharma1 And Osama Alfarraj3 1aset Amity University Uttar

Solved A Series Rlc Circuit Has R 4 W L 1 10 H C Chegg Com

Molecules Free Full Text Organic Semiconductor Micro Nanocrystals For Laser Applications Html

Code 128 Wikipedia

Alt Codes List Alt Key Codes Symbols Sheet Unicode Character Table

Engineering Copper Nanoparticles Synthesized On The Surface Of Carbon Nanotubes For Anti Microbial And Anti Biofilm Applications Nanoscale Rsc Publishing Doi 10 1039 C8nrd

4 4 The Mean Value Theorem Calculus Volume 1

Retro V 100 Mg 60 Caps

Molecules Free Full Text Organic Semiconductor Micro Nanocrystals For Laser Applications Html

Qw0jh Owgxrltm

Alternating Current University Physics With Mod

Solved A Series Rlc Circuit Has R 4 W L 1 10 H C Chegg Com

Bsofcywegda Em
Scriptsource Entry Phonetic Symbol Guide

Frontiers Deeper And Deeper On The Role Of Bk And Kir4 1 Channels In Glioblastoma Invasiveness A Novel Summative Mechanism Neuroscience