Jo Jv U
I n s t r u c t i o n s f o r j o i n i n g g r o u p v id e o v i s i t s by c o m p u t e r Fo r GM A I L a c co u n t s B e f o r e yo u r g r o u p v isit Lo g in to yo u r Go o g le Acco u n t to ch a n g e yo u r n a me se ttin g s a n d p r o te ct yo u r co n fide n tia lity 1 Enter your email address 2.
Jo jv u. B CJ)aCJ)CJ)Q)Q)"" "E"""ta~~~~ CJ)bC~~~gS~CJ)~~ o ~5~~,""""u,",,~~" ~;j Q) 0 ~~CJ)~Q)S~CJ);t, ~u~~~"'iO~cog;~~CJ)oo~'""'""~'"" ~""~Q)CJ)oo. Docket for JOP v US Department of Homeland Security, 819cv — Brought to you by the RECAP Initiative and Free Law Project, a nonprofit dedicated to. Beat produced by VannDaMix & Mastering SongHaArtwork Andrew & VannDaLyrics Designed by Hongla LoFollow me on FB Pagehttps//wwwfacebookcom/vanndao.
Mar 24, 21 · 2 See JOP v DHS, 409 F Supp 3d 367 (D Md 19) (previous opinion granting temporary restraining order) 3 Immigration courts in the Fourth and Seventh Circuits may also grant administrative closure of these cases pending a decision by USCIS on the asylum application See Zuniga Romero v Barr, 937 F3d 2 (4th Cir 19);. St John, U S Virgin Islands (340) Serene, furnished 1 & 2 bedroom houses, tropical gardens, white sand beach at Hurricane Hole Estate Zootenvaal is a pristine haven on the Caribbean Sea surrounded by the V I National Park $1225$1540/week. J o i n u s f o r v i r t u al i n f o r m at i o n al s e s s i o n s ( S e s i ó n v i r t u al d e i n f o r m ac i ó n s o b r e l as v ac u n as d e C O V I D 1 9 ) Ev e r y Tu e sd ay E n g l i sh 2 0 0 P M 3 0 0 P M Jo i n th e se ssi o n b y c l i c ki n g h e r e Questions?.
Y قړ 蒠 J o v @ X e V i / DOUBLE EDGE i V o A N Z T ƃ U A C e E v j z { ̂ɃT h U g p A D Ŏd グ قړ 蒠 ̃J o ł B g h h Ɓg ޔp h e } ɁA V o A N Z T ƃ U A C e E v n h C h ɂĐ A ̔ Ă 铌 s @ g ˎ ̃V b vDOUBLE EDGE i _ u @ G b a j ł B. R T R A V I C R S M V W E I K C D I O B E F O N R T Y V F I V E A T N J R E. Michael J O'Hara was admitted to practice in 1975 and is currently a Partner with the Firm Michael has represented both individuals and businesses in a wide range of matters relating to employee and employer rights and responsibilities under State and Federal laws including gender, race, religion, ethnicity, and disability discrimination cases.
V y y U m O v o l210 y y y y y X y Û Ç æ µ Â ³ ã ï ½ ß è ï ´ X y y y y y y y y y y y y y y y y j O o y y _ Û Ç æ µ Â ³ ã ï w Ö è ¦ d!. Mr JO General Arrangement Registration Operator Sea Tran Marine Builder / Delivery Neuville Flag USA Official Number USCG Aluminum Construction, Crew/Fast Supply Vessel, USCG Subchapter T Class N/A Vessel Particulars Overall Length 172 Beam 30 Depth Amidship 125 ft Light Draft 65 ft Loaded Draft 9 ft Capacities. Jul 01, 19 · Plaintiff JOP, MALC, MERE, KARC and EDG Defendant DHS, USCIS, Kenneth T Cuccinelli, Acting DHS Sec Kevin K McAleenan, US Citizenship.
¤ é Ì ï Â ~ Ò å ¿ « µ Ö ³ ß ç > w® ¤ é Ì ï Â ¯U ^ æ s Ò å ¿ « Ø Ã p J Ô {t V d M T q Oa 18 R O U N D 1. I V A N A A R A Ú J O (@96ivana) on TikTok 98 Likes 10 Fans Watch the latest video from I V A N A A R A Ú J O (@96ivana). Change My Minecraft Skin Download Minecraft Skin Papercraft it.
V O L U M E V I J O H N W A L L A C E @JOHNWA11ACE M A J O R M A G A Z I N E Q & A W I T H J O H N W A L L A C E Q Would you say you’re more of an extrovert or an introvert?. There are 184 words containing j and w ajowan ajowans ajwan ajwans bejewel bejeweled bejeweling bejewelled bejewelling bejewels bijwoner bijwoners blowjob blowjobs crackjaw crackjaws jabberwock jabberwockies jabberwocks jabberwocky jackdaw jackdaws jackscrew jackscrews jackstraw jackstraws jasperware jasperwares jaw jawan jawans jawari jawaris jawbation. Mar 28, 21 · J O J I ( R U N m u s i c v i d e o Published today, 3/28/21 117 pm 17 views, 17 today;.
Apr 29, 21 · j o i n t l e g i s l a t i o n s u b c o m m i t t e e ( j l s ) N O T I C E A N D A G E N D A OF C L O S E D M E E T I N G Closed to the Public (Cal Rules of Court, rule 1075(c) or (d) and (e)(1)). JOP v US Department of Homeland Security IMMD0012 Docket / Court 819cv ( D Md ) State/Territory Maryland Case Type(s) Immigration and/or the Border Attorney Organization Public Counsel Case Summary On July 1, 19, four unaccompanied children seeking asylum in the United States filed this lawsuit in the US District. Apr 01, 21 · US Bank National Association v Dayan 14 COURT Supreme COUNTY Queens J/O Order DATED 12/18/17 Matter of J (Anonymous), Henrietta 15 COURT Supreme COUNTY Queens J/O Order DATED 08/03/17 Matter of Kassab v Kasab COURT Supreme COUNTY Queens J/O Order DATED 10/27/17 Matter of Kassab v.
Jan 12, 21 · US Bank National Association v Giraldo 14 COURT Supreme COUNTY Suffolk J/O Order DATED 06/12/17 170 Matter of Gershow Recycling of Riverhead, Inc v Town of Riverhead 15 COURT Supreme COUNTY Kings J/O Judgment DATED 12//18 BNH Milf LLC v Milford St Properties, LLC 16. Apr 27, 21 · b o n j o u r 2659 State Street Carlsbad, CA, 908 United States (760) bonjour@jeunejoliecom we can’t wait to have you please follow. Dec 22, · J O D A V I E S S C O U N T Y H E A L T H D E P A R T M E N T 94 US RT WEST P O BOX 318 GALENA, ILLINOIS (815) December 22, COVID19 vaccines will not immediately be available to the general public When Jo Daviess County.
J~Lo lilJ ' ,jlyJl tJo ~Y''il wl~1 yGi1 ~lfill ~ll, ~lJ101l!!. Mar 07, 18 · In Whren v United States, the United States Supreme Court held that a traffic stop is reasonable under the Fourth Amendment if a police officer has probable cause to believe that a traffic violation has occurred, even if the stop is a pretext for the investigation of a more serious offense The Court affirmed the convictions of Michael A Whren and James L Brown, who had. 'lJl;JI ,jlyJl~~~Iw~1)c1\i,JI~~,11 tJo~\ii,)\'F~J ~y.
ɁA ̃e J Ȃ A ق ꂢ ڐK E ̏ ŏ ɂ Ă ̂ A V L J o I C u b N ̓ ł A V R Ɗ֘A Ă Ǝv ܂ B. Apr 09, 21 · CLINIC, along with Kids In Need of Defense, or KIND, Public Counsel, and Goodwin Procter on July 1, 19, filed a complaint in US District Court for the District of Maryland The suit challenges a new policy that limits the ability to seek asylum for certain children who arrived in the country alone The lawsuit alleges that the policy by US Citizenship and Immigration Services. U K L Z E B Q U M L O V C U B J O L E L I B R A R I A N N S H R U C P M O T S B Y U R G I E R X A O S P O L I T I C I A N E D D P A N F D F I Jobs and Occupations Below are 18 words and phrases that begin with the following letters PLUMBER 18 words 12 minutes!.
J O U X V E L 370 likes · 31 talking about this THRIFT/REWORK/ One of a kind. Il y a mots de cinq lettres contenant j et u ajour ajout ajuts anjou bijou cajou cajun djeun enjeu feujs jaque jauge jaune jauni jesus jeudi jeuna jeune jouai joual jouas jouat jouee jouer joues jouet jouez jougs jouir jouis jouit joule jours jouta joute joyau jubes jucha juche judas judds judos judru jugal jugea jugee juger juges jugez juifs juins juive julep jules julie julot jumar jumbo. Apr 23, 21 · JOGV Enterprises, Inc is a Pennsylvania Domestic Business Corporation filed On December 14, 1992 The company's filing status is listed as Active and its File Number is The company's principal address is 5145 N Camac St Phila Pa , Philadelphia.
4 downloads, 4 today;. Mar 23, 21 · On Aug 2, 19, the United States District Court for the District of Maryland in the case of JOP v US Dept of Homeland Security, et al, Civil Action 819cv, issued a temporary restraining order enjoining US Citizenship and Immigration Services (USCIS) from applying the May 31, 19, unaccompanied alien children (UAC) memorandum, “Updated. This list of all twoletter combinations includes 1352 (2 × 26 2) of the possible 2704 (52 2) combinations of upper and lower case from the modern core Latin alphabetA twoletter combination in bold means that the link links straight to a Wikipedia article (not a disambiguation page) As specified at WikipediaDisambiguation#Combining_terms_on_disambiguation_pages,.
There are 667 words containing b and j abject abjected abjecting abjection abjections abjectly abjectness abjectnesses abjects abjoint abjointed abjointing abjoints abjunction abjunctions abjuration abjurations abjure abjured abjurer abjurers abjures abjuring adjustabilities adjustability adjustable adjustably amberjack amberjacks antijacobin antijacobins assubjugate assubjugated. Wickham Park Kelly Lane Park Davis Park McGoy Park Softball Practice Fields Heritage Park Dorcas Park Future Sapulpa Sports Complex ¬ « 9 7 9 ¬ « 7 ¬ « 9 7 ¬ « 1 1 7A ¬«. Y p z _ J o @ J V b v @ J V b v g C t @ u b N y p z _ J o @ x W iJAN R h j ̃y W ł B i 4 `5 c Ɠ ȓ ɔ ܂ i y j j B DCM I C ̓ R Y i N G V Ђ̃g C t @ u b N w z Z ^ ʔ̃T C g ł BDCM I C ł͐ p i ͂ ߂Ƃ A 34 _ ̏ i 舵 Ă ܂ B z Z ^ ʔ DCM I C ł̂ y ݂ B.
Karina Araujo (@karinaaraujo) en TikTok 490 me gusta 92 fans Mira el último video de Karina Araujo (@karinaaraujo). B o n j o u r 2659 State Street Carlsbad, CA, 908 United States (760) bonjour@jeunejoliecom Aubrey Paul. Dad knows who joe is.
A I’m definitely an extrovert I’m really loud and outgoing, and I love meeting new people, trying new things, and traveling to new places!. A t @ N G C e B u ́A I t B X E X ܁E h { ݂̗ グ A ƊJ s Ƃł B ЃA t @ N G C e B u l I t B X @ @ l s Β 12 @ lTH r T e TEL F @FAX F. I came to the US from China with a bachelor's degree in Physics from ShanXi Normal University I received my Master's Degree in Computer Science from University of Nevada, Reno in 1997 I received my PhD degree in Computer Science and Engineering from University of NevadaReno in 14 under the supervision of Dr Sergiu Dascalu.
Overall, VJOP is beautifully constructed and absolutely delicious Cocktails For a long time, Plymouth’s Navy Strength was the bartender goto for over proof gins VJOP is the first gin that I think has a serious chance of dethroning the champ It’s perfectly balanced for a Negroni. 4 ¯ ¯ Ç / j z e ½ v , b / j v # Í W M n j O v e ½ v Î b u \ { u u O ^ s } 3 ¯ ¯ Ç / j e ½ s y Ó C Î r v, d Q T ^ s } 4 ¯ ¯ Ç / j z e ½ v , b / j v # Í W M n j O v e ½ v , d Q T ^ s } _ > è ¤3 ² ¥ } ¤3 ² ¥ }. Title JOP v US Dept of Homeland Security, et al, Civil Action 819cv Temporary Restraining Order Created Date 8/2/19 PM.
Jo b T it le B us D r i v er s T imes appr ox i m atel y 630 0am and 2 415pm P o st ed J anuar y 14, 21 P o st in g C lo ses U nti l F i l l ed In t er n al C an d id at es A p p ly t o J odi S mi th, H R D i r v i a emai l or i n w r i ti ng External Candidates Apply via w w w appl i tr ac k c om. 77 Followers, 121 Following, 9 Posts See Instagram photos and videos from Joshuva Thomas (@j_o_s_h_u_v_a__). 4496k Followers, 330 Following, 1,013 Posts See Instagram photos and videos from V J O S A M U R I Q I (@mrsvjosa).

A Vocabulary In The English Latin German French Italian Spanish And Portuguese Languages 5 Sfa Facsofa A J V A Sl A Z Ii A 2 2 1 A 2 A 2

Range Of Vibrational Quantum Numbers V And Rotational Quantum Numbers Download Scientific Diagram
:format(jpeg):mode_rgb():quality(90)/discogs-images/R-6991460-1561484755-7931.jpeg.jpg)
Henri Salvador As Tu Vu Adele Qu Ech Que Ch Est Qu Cha 1956 Vinyl Discogs
Jo Jv U のギャラリー

The Expression Of The Acarbose Biosynthesis Gene Cluster In Actinoplanes Sp Se50 110 Is Dependent On The Growth Phase Bmc Genomics Full Text

J Leattal De Tl V Oj Loanov Lakl V Ailj Lokpatiav Tile Repj Laviae Kai De Tl V Eaa6 A Pdf Kostenfreier Download
Solved 13 Find The Dot Product Between The Vectors U And Chegg Com

76 J Jl S Iil U J 77 Tlalls Jaj Ilj Ti L Jwvi Lo Axi L J V Jfc Fl S A 2 L J Von 79 W J Il K 5 I I Pdf Kostenfreier Download

Adolph Hess Ag Luzern Hrsg Munzensammlung Dr H C Roman Abt Luzern Munzen Und Medaillen Der Schweiz Und Anderer Lander Versteigerung Freitag Den 22 Mai 1936 Luzern 1936

On New Critical Point Theorems Without The Palais Smale Condition Topic Of Research Paper In Mathematics Download Scholarly Article Pdf And Read For Free On Cyberleninka Open Science Hub

On Paradigm Uniformity And Contrast In Russian Vowel Reduction Springerlink

Storyboard

Solved Solve The Following Relations For X And Y And Com Chegg Com

Teppich Beige Creme Kurzflor Deja Vu Wecon Home Outlet Teppiche

International Journal Of Hydrogen Energy Elsevier

Buchautorportsmou Stockfotos Und Bilder Kaufen Alamy

Titel Quelle Ubungsart Titel Textquelle Worter Finden Ppt Herunterladen

Tyler S Vierteljahrliche Historische Und Genealogische Zeitschrift 1 O C P Ci Om S S H I 23 O Cis 1 H J 5c 1 Cr Co Illl Wilwil 3 N

Gun G 1 Bis Uhr Durch Schatten Am Berichterstattung Der Aktuellen Kamera Vom Auszeichnungsakt Pdf Kostenfreier Download

A Characterization Of Planar Mixed Automorphic Forms Topic Of Research Paper In Mathematics Download Scholarly Article Pdf And Read For Free On Cyberleninka Open Science Hub

Fur Mehr Speicherplatz Die Besten Kostenlosen Cleaner Apps Fur Android 21 Channelpartner De
Ngoc Vu Senior Accounting Specialist Sana Biotechnology Inc Linkedin

J V Characteristics Of The Test Solar Cell Sample A Measured Under An Download Scientific Diagram

Rosh Hashanah Ma Tovu Part 1 K T R A H Whœ B F A N C E G H Whœ K V T Ucœ Y V C N Wœ H C Tic T W S X C J C R C H B T U Ma To Vu O Ha Le Cha Ya A Kov Ppt Download

Quand J Ai Vu L Ocean J Ai Souri Amazon De Chaine Gerard Fremdsprachige Bucher

Answered Find 2u 3v U 6i V J Bartleby
A J V Curves Of The Perovskite Solar Cells Based On Ito C 10 T And Download Scientific Diagram

J Dullvalul Ul Equations For Uniformly Accelerated Motion Using Calculus O Velocity Time Equation U U
Typo A B C D E F G H I J K L M N O
Let U I J V I J And W I 2j 3k If N Is A Unit Vector Such That U N 0 And V N 0 Then

Adolph Hess Ag Luzern Hrsg Munzensammlung Dr H C Roman Abt Luzern Munzen Und Medaillen Der Schweiz Und Anderer Lander Versteigerung Freitag Den 22 Mai 1936 Luzern 1936

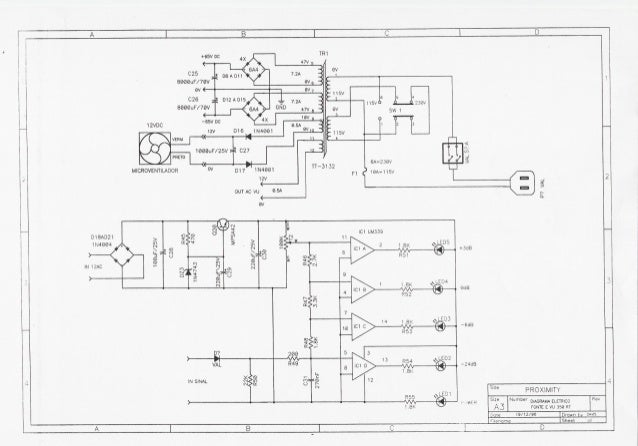
Advance 350 Rt Fonte E V U

Clenv Joj Yfkg Records Management Gd Sf 6

Cruel And Unusual Punishment The Parameters Of The Eighth Amendment Berkson 1975 Policy Studies Journal Wiley Online Library

J Ai Tout Lu Tout Vu Tout Bu Remastered Von Jacques Dutronc Bei Amazon Music Amazon De

Solved Compute The Jacobian J U V For The Following Tra Chegg Com

J Trojan Heinrich Seidel Der Deutsche Dichter U Maler Histor Titelblatt V 1900 Eur 18 90 Picclick De
Typo A B C D E F G H I J K L M N O P Q R S T U V W X Y Z 3d Neon Fonts Modern Alphabet

K Tls0 Fsf Jbfx V 08 M Cfofhgfsf

Smartphone Die Besten Bildbearbeitungs Apps Fur Android 21 Computerwoche De

Solved Find The Dot Product Between The Vectors U And V Chegg Com

Gerhard Hirsch Prag Hrsg Otto Helbing Nachf Munchen Hrsg Munzen Und Medaillen Auktion Zu Prag Am 15 November 1934 Sammlung Des Weiland Arthur Grafen V Enzenberg Die Erzgebirgische Pragemedaille Des 16

Pdf Derivations Of Relativistic Force Transformation Equations

Dhl Pending Notificationdhl Awb ad Online Presentation

Dhl Pending Notificationdhl Awb ad Online Presentation
Quran In Fulani Pdf Jpnmuslim Free Download Borrow And Streaming Internet Archive

On Some Aspects Of The Definition Of Scattering States In Quantum Field Theory Topic Of Research Paper In Physical Sciences Download Scholarly Article Pdf And Read For Free On Cyberleninka Open
Introducing The New And Improved Sumo Embed Code

J Ai Vu Ton Fantome Hier Bonus Track Deception Amazon De Mp3 Downloads

Leo Hamburger Frankfurt Main Hrsg Sammlung Pfalzischer Und Badischer Munzen Und Medaillen Auktion Am 4 November 1929 U Folgende e Frankfurt M 1929

Clenv Joj Yfkg Records Management Gd Sf 6

John Syres Louis J Warrick And Local 254 Oil Workers International Union C I O Petitioners V Oil U S Supreme Court Transcript Of Record With Supporting Pleadings Walmart Com Walmart Com

Pdf Understanding Deja Vu Explanations Mechanisms And The Normal Kind Of Deja Vu Part 2 Semantic Scholar

Joop Jeans Hanjo Hemd Navy Dunkelblau Zalando De
Faridah Al Faraid Syeikh Ahmad Al Fathani Free Download Borrow And Streaming Internet Archive

محاضره فسيولوجيا كائنات تصنيع تحت اشراف الدكتور صالح Online Presentation

Dz Y Stockfotos Und Bilder Kaufen Alamy

Answered Et U 2i 9j And V 5i J A Find Bartleby

Education Topic By New Future Policy Mynep Meri Shiksha Mera Bharat Script Async Async Function S U M O J V J U Createelement M V U Getelementsbytagname M 0 J Async 1 J Src O J Dataset Sumositeid

Solved Match The Equation With Its Graph R U V U Cos Chegg Com

sen sen Hat Jetzt Ein Dorfcafe Sudkurier Online

Jv Agreement Belgrade Waterfront Project Ugovor O Zajednickom Ulaga

J Ai Vu Le Loup Le Renard Et La Belette Amazon De Musik
Decremental Single Source Shortest Paths On Undirected Graphs In Near Linear Total Update Time

J Ai Vu Niagara Daniel Chenevez Muriel Denise Francine Laporte Niagara Amazon De Musik

William S Kundig Buch Und Kunsthandlung Geneve Hrsg Katalog Der Bibliophilen Sammlungen R Weil Vaduz R R Schmidt Lugano Incunabeln Und Handschriften Wertvolle Bucher Des 16 19 Jahrhunderts Moderne Franzosische Literatur

Smartphone Die Besten Android Apps Fur Die Videobearbeitung Computerwoche De

J Ai Vu Le Loup Le Renard Le Lievre Sheet Music For Flute Mixed Duet Musescore Com

Missing Glyph Not Identified By Indesign Stack Overflow
1 Vytah

A Q J M Z O R W P I N B C L E X Drawing By Alain

Answered Find The Area Of The Surface The Bartleby

76 J Jl S Iil U J 77 Tlalls Jaj Ilj Ti L Jwvi Lo Axi L J V Jfc Fl S A 2 L J Von 79 W J Il K 5 I I Pdf Kostenfreier Download

Solved Compute The Jacobian J U V For The Following Tran Chegg Com

Solved Match The Equation With Its Graph R U V U Cos Chegg Com
Solved Find The Component Form Of V Where U 2i J And Chegg Com

Applied Sciences Free Full Text Micro Led As A Promising Candidate For High Speed Visible Light Communication Html

Solved Find The Component Form Of V Where U 4i J And Chegg Com

M12d 04pffs Sf8xyy Drawing Datasheet By Amphenol Ltw Digi Key Electronics

Z D S B Stockfotos Und Bilder Kaufen Seite 25 Alamy
25 Best Deja Vu J Cole Memes

Transactions F N2 100 X 0 Ta Lrp 5a Hi R 100 X 5 Oa No In Ina 1 Constants For The Equations Of The Curves On Sheet 1 Are Also I U

Fur Mehr Speicherplatz Die Besten Kostenlosen Cleaner Apps Fur Android 21 Channelpartner De

Simpeg An Open Source Framework For Simulation And Gradient Based Parameter Estimation In Geophysical Applications Sciencedirect



